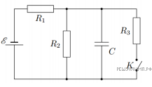
В электрической схеме, состоящей из батареи с ЭДС E = 20 В, резисторов R1 = 10 Ом, R2 = 20 Ом, R3 = 30 Ом и конденсатора, замыкают ключ K. Найти ток I0 через резистор R3 сразу после замыкания ключа. Найти ток IБ через батарею в тот момент времени, когда напряжение на конденсаторе равно 0,6 E. Внутренним сопротивлением батареи пренебречь.
До замыкания ключа конденсатор был полностью заряжен, напряжение на нем было равно напряжению на параллельном резисторе R2:
В начальный момент времени после замыкания ключа напряжение на резисторе R3 будет равно тому же значению, что и напряжения на резисторе R2 и конденсаторе, тогда ток через R3 будет равен
В момент времени, когда напряжение на конденсаторе станет равно 0,6 E, напряжение на резисторе R1 будет равно а ток на резисторе R1 и через батарею будет равен
Ответ:

